Description
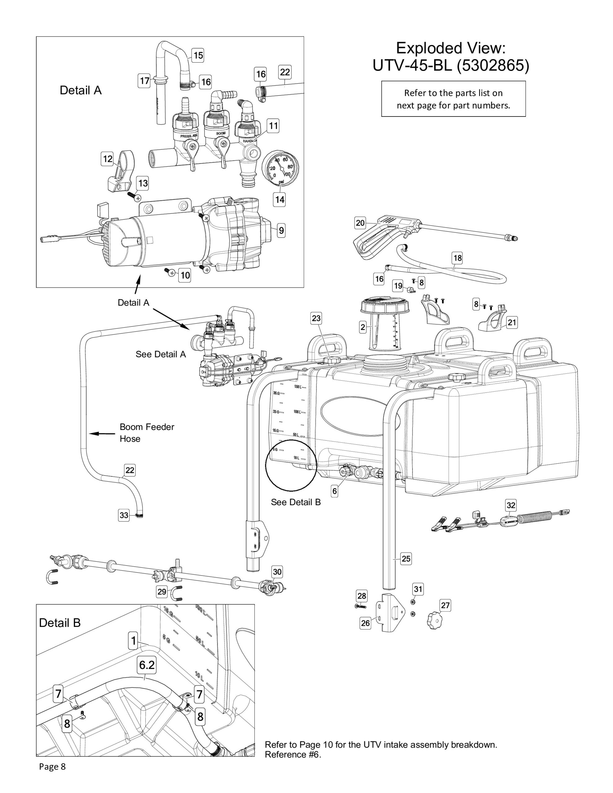
- 4.5 GPM High Flo High Performance pump features an internally fan cooled motor as well as chemically resistant valves and diaphragms which increase durability ensuring longer pump life
- Deluxe pistol grip handgun delivers up to 40 feet of horizontal spray and 25 feet of vertical spray and features an ergonomic polymer handle and precision brass tip. 25 Feet of hose gives you the length necessary to reach tight areas, around buildings and other obstacles
- Durable 45 Gallon roto molded tank features UV stabilizers, molded in baffles, transport handles and comes with 5 inch FIMCO measuring lid which eliminates the need for additional liquid measuring cups
- Innovative top mounted boom design means you don’t have to remove your tailgate to install our sprayer
- Stainless steel 3 nozzle wet boom with broadcast tips delivers 36 Feet of total spray coverage with Hypro tips that can be turned on and off independently
The FIMCO 45 Gallon UTV Sprayer 4.5 GPM Boomless is designed to work with UTV, lawn tractors and larger zero turn mowers. The UV resistant, molded polymer tank has a 5 inch tethered lid for easy access and is completely drainable. This model features the best in class High Flo High Performance 4.5 GPM Pump with inline fuse protection. The Deluxe Pistol Grip Handgun distributes up to 40 feet horizontal spray, 28 feet of vertical spray and comes with 25 feet of 3/8 inch hose. The 3 Nozzle boom offers 36 feet of total spray coverage and our FIMCO exclusive manifold conveniently places pressure control and boom operation at your fingertips to fine tune your spray pattern.
















Reviews
There are no reviews yet.